На главнуюКонтактная информацияПоискКарта сайта

Личный кабинет:

  •      Режим работы:
  •      Пн-Пт 9.00 – 18.00.
  •      Выходные: Сб-Вс, праздничные дни.
Фирменный интернет-магазин buderus-minsk.by делает оборудование Buderus еще доступнее для Вас!
Горелка газовая Weishaupt WKG 40/2-A DN100ZM

Горелка газовая Weishaupt WKG 40/2-A DN100ZM

  • Артикул: 27740451
  • Производитель: Weishaupt
  • Страна происхождения: Германия

- тепловая мощность 400 - 3000 кВт;
- плавно-ступенчатая или модулируемая, топливо - газ природный/ сжиженный

  • цена по запросу

Диапазон работы в кВт400 - 3000
Расход топлива кг/час                         -
Мощность котла, КПД=92%  в кВт-
Напряжение, В                       400                     
Номинальная мощность электродвигателя в кВт -
Режим работы плавно-ступенчатое или
 модулируемое регулирование 
Прибор зажигания W-ZG 02
Блок управления (менеджер горения)W-FM 100/200
Потребление тока старт. max/экспл.-









Расшифровка обозначений

WK - Регулируемая промышленная горелка
G - топливо газ
L - жидкое топливо EL
40 - Типоразмер
/2 - класс мощности
-A - тип конструкции
ZM - модулируемый режим работы
H - с подачей горячего воздуха

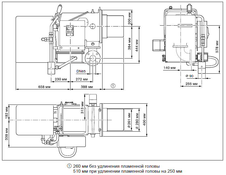
Размеры газовых горелок Weishaupt WKG 40/2-A

WKG 40 2A.png

Полезная информация