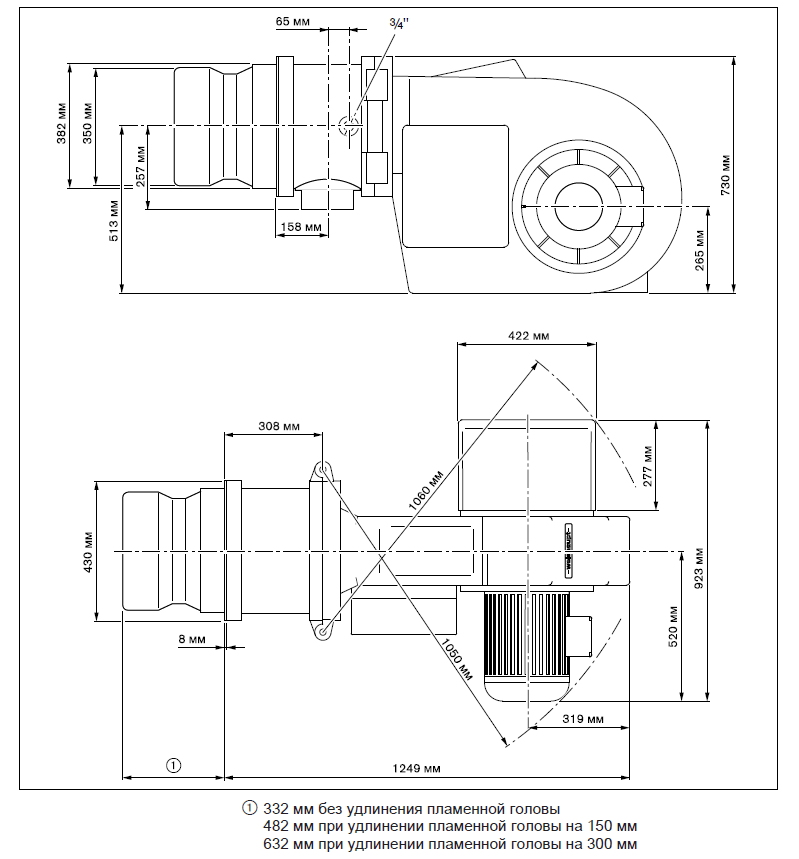
Горелка газовая Weishaupt G50/2-A DN80 ZM-LN
- Артикул: 21750553
- Производитель: Weishaupt
- Страна происхождения: Германия
- мощность 2700-4500 кВт;
- плавно-ступенчатая или модулируемая, топливо - природный газ E, LL
- цена по запросу

- мощность 2700-4500 кВт;
- плавно-ступенчатая или модулируемая, топливо - природный газ E, LL
| Диапазон работы в кВт | 2700-4500 |
| Расход топлива в рабочем состоянии м3/час | - |
| Мощность котла, КПД=92% в кВт | - |
| Напряжение, В | 400 |
| Номинальная мощность электродвигателя в кВт | - |
| Режим работы | плавно-ступенчатое или
модулируемое регулирование |
| Прибор зажигания | W-ZG 02/V |
| Блок управления (менеджер горения) | W-FM 100/200 |
| Потребление тока старт. max/экспл. | - |
