На главнуюКонтактная информацияПоискКарта сайта

Личный кабинет:

  •      Режим работы:
  •      Пн-Пт 9.00 – 18.00.
  •      Выходные: Сб-Вс, праздничные дни.
Фирменный интернет-магазин buderus-minsk.by делает оборудование Buderus еще доступнее для Вас!
Горелка газовая Weishaupt G50/1-B DN100 ZM-LN

Горелка газовая Weishaupt G50/1-B DN100 ZM-LN

  • Артикул: 21750463
  • Производитель: Weishaupt
  • Страна происхождения: Германия

- мощность 1800-3000 кВт;
- плавно-ступенчатая или модулируемая, топливо - природный газ E, LL, сжиженный газ B/P

  • цена по запросу

Диапазон работы в кВт1800-3000
Расход топлива в рабочем состоянии м3/час                         -
Мощность котла, КПД=92%  в кВт-
Напряжение, В                       400                     
Номинальная мощность электродвигателя в кВт -
Режим работы плавно-ступенчатое или
 модулируемое регулирование 
Прибор зажигания W-ZG 02/V
Блок управления (менеджер горения)W-FM 100/200
Потребление тока старт. max/экспл.-









Расшифровка обозначений

RGL   X / X-X,  исполнение XX - XX

R - регулируемая (модулируемая) горелка
G -  газ
L - жидкое топливо

Типоразмер горелки monarch 30-70
X - Индекс смесительного устройства 
X  - Модификация горелки, диапазон мощности

Z - плавно-двухступенчатое
ZM - плавно-ступенчатое или модулируемое
TM - трехступенчатое (ж/т) и модулируемое (газ)
NR / LN / 1 LN - с низкими выбросами оксидов азота (LowNOx)

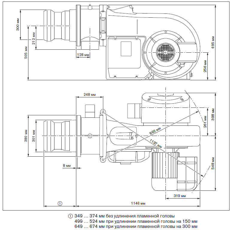
Габаритные размеры газовых горелок Weishaupt G50/1-B
Размеры G50-1-B.png


Полезная информация: