На главнуюКонтактная информацияПоискКарта сайта

Личный кабинет:

  •      Режим работы:
  •      Пн-Пт 9.00 – 18.00.
  •      Выходные: Сб-Вс, праздничные дни.
Фирменный интернет-магазин buderus-minsk.by делает оборудование Buderus еще доступнее для Вас!
Горелка комбинированная Weishaupt RGMS 70/2-A DN100 ZM-NR

Горелка комбинированная Weishaupt RGMS 70/2-A DN100 ZM-NR

  • Артикул: 21960562
  • Производитель: Weishaupt
  • Страна происхождения: Германия

- мощность 4000-6100 кВт;
- плавно-ступенчатая или модулируемая, топливо - природный газ E, LL, сжиженный газ B/P, жидкое топливо

  • цена по запросу

Диапазон работы в кВт4000-6100
Расход топлива в рабочем состоянии м3/час                         -
Мощность котла, КПД=92%  в кВт-
Напряжение, В                       400                     
Номинальная мощность электродвигателя в кВт -
Режим работы плавно-ступенчатое или
 модулируемое регулирование 
Прибор зажигания W-ZG 02/V
Блок управления (менеджер горения)W-FM 100/200
Потребление тока старт. max/экспл.-









Расшифровка обозначений

RGMS   X / X-X,  исполнение XX - XX

R - регулируемая (модулируемая) горелка
G -  газ
MS - топливо: среднее и тяжелое жидкое топливо

X  - Типоразмер
X -  Класс мощности
X  - Тип конструкции

Z - плавно-двухступенчатое
ZM - плавно-ступенчатое или модулируемое
TM - трехступенчатое (ж/т) и модулируемое (газ)
NR / LN / 1 LN - с низкими выбросами оксидов азота (LowNOx)

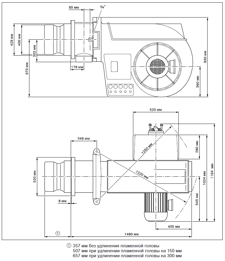
Габаритные размеры газовых горелок Weishaupt RGMS 60/2-A
Размеры RGMS60 2A.png


Полезная информация: