Сервопривод Siemens SQN91.140B1799
- Артикул: SQN91.140B1799
- Производитель: Siemens
- Страна происхождения: Германия
- продолжительность цикла 4S при 90°
- момент вращения 0,8Nm,
- напряжение AC 100-110V 50-60 Hz 8 VA
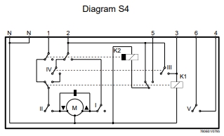
- диаграмма S4;
- функциональная последовательность F1


KL - Low-fire
LKP - Положение воздушной заслонки
NL - High-fire
t Время
t1 Время предпусковой подготовки горелки
I...V кулачковые переключатели или вспомогательные переключатели
¹) положения кулачкового переключателя не относятся к внутренней диаграмме S2
²) положения кулачкового переключателя не относятся к внутренней диаграмме S2 и S7