Сервопривод Siemens SQN90.220A2799
- Артикул: SQN90.220A2799
- Производитель: Siemens
- Страна происхождения: Германия
- продолжительность цикла 12S при 90°
- момент вращения 2,4Nm,
- напряжение AC 220...240V 50-60 Hz 8 VA
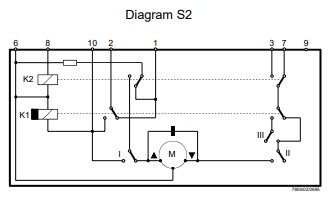
- диаграмма S2;
- функциональная последовательность F2, F3


KL - Low-fire
LKP - Положение воздушной заслонки
NL - High-fire
t Время
t1 Время предпусковой подготовки горелки
I...V кулачковые переключатели или вспомогательные переключатели
¹) положения кулачкового переключателя не относятся к внутренней диаграмме S2
²) положения кулачкового переключателя не относятся к внутренней диаграмме S2 и S7