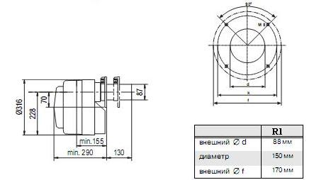
Горелка жидкотопливная (дизельная) Giersch R1-L 14-53kW
- Артикул: 11364014602
- Производитель: Enertech GmbH
- Страна происхождения: Германия
- мощность 14-53kW;
- одноступенчатая;
- основное топливо - дизель;
- подогрев топлива - нет;
- воздушная заслонка - с сервоприводом
- цена по запросу




















