На главнуюКонтактная информацияПоискКарта сайта

Личный кабинет:

  •      Режим работы:
  •      Пн-Пт 9.00 – 18.00.
  •      Выходные: Сб-Вс, праздничные дни.
Фирменный интернет-магазин buderus-minsk.by делает оборудование Buderus еще доступнее для Вас!
Горелка газовая Weishaupt WKG70/1-B 3LN DN125

Горелка газовая Weishaupt WKG70/1-B 3LN DN125

  • Артикул: 27773717
  • Производитель: Weishaupt
  • Страна происхождения: Германия

- тепловая мощность 13000 - 17000 кВт;
- плавно-ступенчатая или модулируемая, топливо - газ природный/ сжиженный

  • цена по запросу

Диапазон работы в кВт13000 - 17000
Расход топлива кг/час                         -  
Мощность котла, КПД=92%  в кВт-
Напряжение, В                       400                     
Номинальная мощность электродвигателя в кВт -
Режим работы плавно-ступенчатое или
 модулируемое регулирование 
Прибор зажигания W-ZG 02
Блок управления (менеджер горения)W-FM 100/200
Потребление тока старт. max/экспл.-









Расшифровка обозначений

WKG 70/1-B 3LN

WK - типоряд промышленной горелки Weishaupt 
G - Топливо: газ
70 - Типоразмер
/1 - Класс мощности
-B - Тип конструкции
3LN - Исполнение: LowNOx (multiflam®)

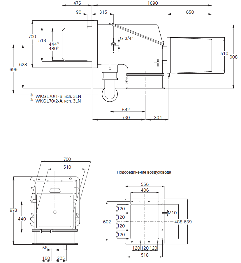
Размеры газовых горелок Weishaupt WKG 70/1-B 3LN

WKG 70 3 LN _ 1 B.png


Полезная информация