На главнуюКонтактная информацияПоискКарта сайта

Личный кабинет:

  •      Режим работы:
  •      Пн-Пт 9.00 – 18.00.
  •      Выходные: Сб-Вс, праздничные дни.
Фирменный интернет-магазин buderus-minsk.by делает оборудование Buderus еще доступнее для Вас!
Горелка комбинированная Weishaupt RGL70/1-B 3LN DN150

Горелка комбинированная Weishaupt RGL70/1-B 3LN DN150

  • Артикул: 21870484
  • Производитель: Weishaupt
  • Страна происхождения: Германия

- тепловая мощность 3500 - 7000 кВт;
- плавно-ступенчатая или модулируемая, топливо - газ природный/ сжиженный, дизельное топливо

  • цена по запросу

Диапазон работы в кВт3500 - 7000
Расход топлива кг/час                         -
Мощность котла, КПД=92%  в кВт-
Напряжение, В                       400                     
Номинальная мощность электродвигателя в кВт -
Режим работы плавно-ступенчатое или
 модулируемое регулирование 
Прибор зажигания W-ZG 02
Блок управления (менеджер горения)W-FM 100/200
Потребление тока старт. max/экспл.-









Расшифровка обозначений

RGL 70/1-B 3LN

R - регулируемая горелка
G - Топливо: газ
L - Топливо: дизельное EL
70 - Типоразмер
/1 - Класс мощности
-B - Тип конструкции
3LN - Исполнение: LowNOx (multiflam®)

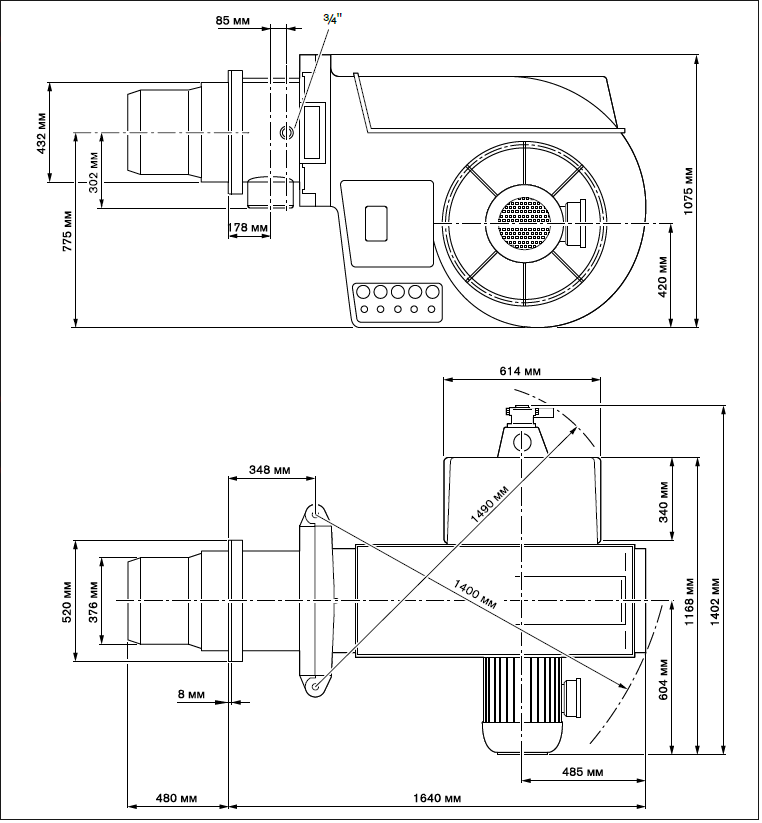
Размеры газовых горелок Weishaupt RGL 70/1-B 3LN

RGL 70 1B_1.png


Полезная информация