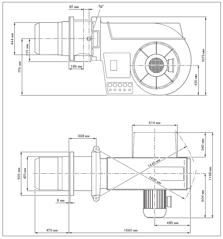
Горелка газовая Weishaupt G70/2-A 3LN DN125
- Артикул: 21770574
- Производитель: Weishaupt
- Страна происхождения: Германия
- тепловая мощность 5000 - 9100 кВт;
- плавно-ступенчатая или модулируемая, топливо - газ природный/ сжиженный
- цена по запросу

- тепловая мощность 5000 - 9100 кВт;
- плавно-ступенчатая или модулируемая, топливо - газ природный/ сжиженный
| Диапазон работы в кВт | 5000 - 9100 |
| Расход топлива кг/час | - |
| Мощность котла, КПД=92% в кВт | - |
| Напряжение, В | 400 |
| Номинальная мощность электродвигателя в кВт | - |
| Режим работы | плавно-ступенчатое или
модулируемое регулирование |
| Прибор зажигания | W-ZG 02 |
| Блок управления (менеджер горения) | W-FM 100/200 |
| Потребление тока старт. max/экспл. | - |
