На главнуюКонтактная информацияПоискКарта сайта

Личный кабинет:

  •      Режим работы:
  •      Пн-Пт 9.00 – 18.00.
  •      Выходные: Сб-Вс, праздничные дни.
Фирменный интернет-магазин buderus-minsk.by делает оборудование Buderus еще доступнее для Вас!
Горелка комбинированная Weishaupt WM - GL30/2-A / ZM-R-3LN R 1 1/2

Горелка комбинированная Weishaupt WM - GL30/2-A / ZM-R-3LN R 1 1/2

  • Артикул: 21832512
  • Производитель: Weishaupt
  • Страна происхождения: Германия

- тепловая мощность 1600 - 5000 кВт;
- плавно-ступенчатая или модулируемая, топливо - газ природный/ сжиженный, жидкое топливо

  • цена по запросу

Диапазон работы в кВт1600 - 5000
Расход топлива кг/час                         -
Мощность котла, КПД=92%  в кВт-
Напряжение, В                       400                     
Номинальная мощность электродвигателя в кВт -
Режим работы плавно-ступенчатое или
 модулируемое регулирование 
Прибор зажигания W-ZG 02
Блок управления (менеджер горения)W-FM 100/200
Потребление тока старт. max/экспл.-









Расшифровка обозначений

WM - GL30/2-A / ZM-R-3LN

WM Типоряд: Weishaupt Monarch
G -Топливо: газ
L - Топливо: дизельное
30 - Типоразмер
2 - Класс мощности
A - Тип конструкции
ZM - Исполнение: плавно-двухступенчатое или модулируемое (газ)
R - Исполнение: модулируемое (ж/т)
3LN - Исполнение: LowNOX (multiflam®)

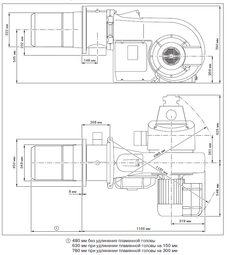
Размеры комбинированных  горелок Weishaupt GL30/2-A / ZM-R-3LN
WM G30 2A_1.jpg


Полезная информация